Este proyecto es a la vez una experiencia y un sistema de escucha bastante interesante. Con la ayuda de un amplificador y un auricular podemos transmitir sonido a través de la pared. Estos sonidos tanto pueden ser de un programa de radio, la música de un medio cualquiera como los sonidos captados por un micrófono, en cuyo caso tendremos un eficiente sistema de espionaje.
Los sistemas de transmisión de señales por inducción se utilizan en espionaje, ya que eliminan la necesidad de cables entre el lugar donde está el micrófono y la escucha. De esta forma, descubierto el micrófono, no será fácil descubrir dónde está el espía con el auricular, pues no hay cables para seguir.
Nuestra experiencia muestra cómo funciona este sistema de escucha en transmisión por anillo inductivo, pudiendo ser realizada de manera simple en demostraciones o de manera más elaborada en un sistema verdadero de espionaje.
La idea básica es aplicar la salida de un amplificador de buena potencia a una gran bobina para obtener una irradiación de la señal por campo magnético. Para un amplificador de unos 10 a 30 W la distancia puede ser del orden de algunos metros o aún a través de una pared.
Como funciona
El principio de funcionamiento es simple: aplicando la señal de salida de un amplificador a una bobina hecha con hilo común, tenemos a su alrededor la producción de un campo magnético con las mismas características del sonido del amplificador.
Para captar la señal todo lo que necesitamos es otra bobina, con muchas espiras de hilo, en la que podemos conectar un auricular como un pequeño amplificador alimentado por pilas.
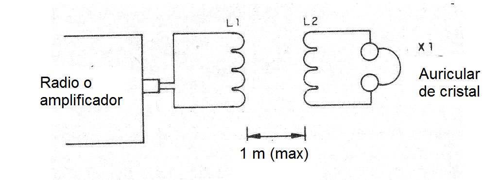
Montaje
En la figura 1 tenemos el diagrama completo del sistema y en la figura 2 el aspecto del montaje.
La bobina 1 consta de 10 a 15 vueltas de cable común (22) conectadas a la salida del amplificador. Si el hilo es grueso necesitamos limitar la corriente en la salida de la bobina, como muestra la figura 3, usando una resistencia de 10 ohms x 10 W.
La bobina receptora se puede obtener desmontando un viejo transformador de salida o de alimentación y retirando su núcleo. Conectamos el auricular de alta impedancia (cristal) al devanado de mayor número de espiras.
En la figura 4 tenemos el modo de usar el sistema en la transmisión de señales a través de una pared.
Para escuchar conversaciones coloque el amplificador con un micrófono oculto en una habitación y coloque la bobina junto a la pared. Del otro lado coloque la bobina receptora para escuchar las señales. Realice pruebas antes de obtener el mejor posicionamiento del micrófono y de las bobinas.
Lista de material
L1- Bobina transmisora - ver texto
L2- Bobina receptora - ver texto
X1- Auricular de cristal o cápsula piezoeléctrica







