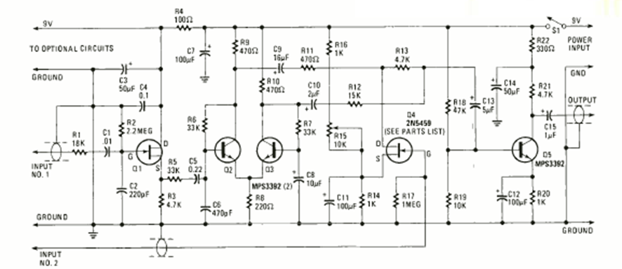
Encontramos este circuito en la edición de 1983 del Electronics Experimenter Handbook. El circuito utiliza componentes que son comunes hoy en día, aunque muchos admiten equivalentes.
Usando solo un circuito integrado, este control se encontró en una Electronic Engineering de los 80. El...
He encontrado en una revista de 1990, que ya no existe, la Modern Electronics de los Estados...
Con una ganancia de 46 dB este paso puede ser usado para amplificar la señal de micrófonos y otros...