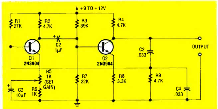
Este oscilador de puente de Viena genera una señal sinusoidal cuya frecuencia depende básicamente de C2 y C4. El circuito es de Electronics Now de diciembre de 1993.
Lo que describimos es un pequeño móvil que funciona con pilas comunes. El circuito consiste en un...
Cuando aprieta el gatillo (S1) y el relé abre y cierra los contactos rápidamente produciendo un ruido...
En los estudios de ciencias del primer grado y de física del segundo grado se describe un aparato...