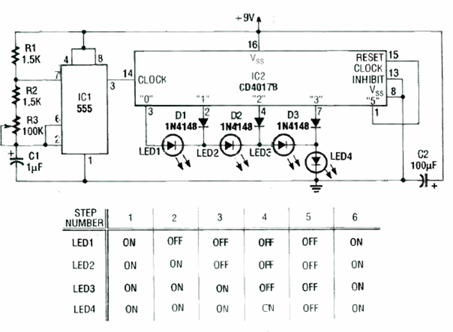
Este circuito tiene los efectos indicados en la tabla al lado del diagrama. Lo encontramos en la revista Radio Electronics de febrero de 1992. El circuito tiene su velocidad dependiente de C1 y ajustada en R3.
Monte un conjunto de lámparas de neón en un objeto decorativo y conecte el circuito en la red de...
En el oscilador mostrado en la figura 1, la frecuencia de operación depende de los componentes de la...
Este proyecto sirve para mostrar cómo funcionan las usinas de energía eléctrica, convirtiendo energía...