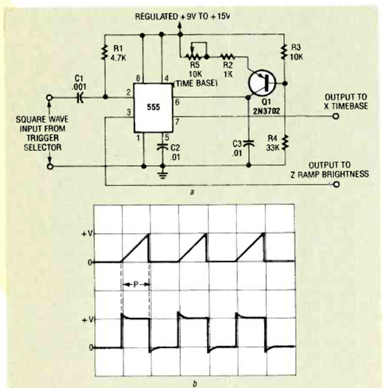
Este circuito que genera una señal de diente de sierra lineal se puede utilizar en un osciloscopio de rango de frecuencia. El circuito fue encontrado en la edición de diciembre de 1992 de la revista Radio Electronics.
Lo que describimos es un pequeño móvil que funciona con pilas comunes. El circuito consiste en un...
Cuando aprieta el gatillo (S1) y el relé abre y cierra los contactos rápidamente produciendo un ruido...
En los estudios de ciencias del primer grado y de física del segundo grado se describe un aparato...