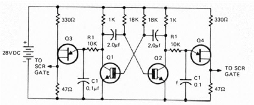
Este circuito que es un multivibrador astable fue encontrado en la revista Radio Electronics en marzo de 1973. Su propósito es disparar SCR, siendo alimentado por un voltaje de 28 V. Los transistores son de propósito general.
Este circuito para lógica TTL indica los niveles lógicos de la entrada o aún si la señal presente...
Este transmisor emite señales en el rango FM, pudiendo alcanzar unos pocos metros de distancia. El ajuste...
Este oscilador se encontró en Radio Electronics desde los años 90. C1 y C2 tienen 2700 pF y el...