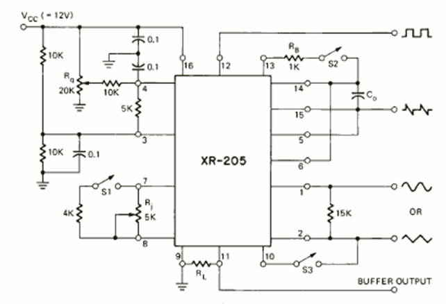
Este circuito se encontró en la edición de agosto de 1972 de la revista Radio Electronics. El circuito genera señales de 4 tipos como podemos ver en el diagrama. La frecuencia máxima es de alrededor de 20 kHz.
Cuando alguien que ingresa a una ubicación abre uno de los sensores conectados a la puerta SOR, el...
¿Qué tal montar un intercomunicador secreto para conversar con su hermano, vecino o compañero sin que...
Este circuito detecta cuando la temperatura de un congelador, mostrador frigorífico o incluso un...