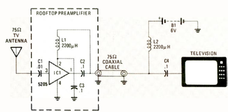
Este circuito que también sirve para amplificar señales de FM desde una antena externa fue encontrado en la revista Radio Electronics de mayo de 1987. Tenga en cuenta que el circuito se alimenta del propio cable de acometida.
Cuando alguien que ingresa a una ubicación abre uno de los sensores conectados a la puerta SOR, el...
¿Qué tal montar un intercomunicador secreto para conversar con su hermano, vecino o compañero sin que...
Este circuito detecta cuando la temperatura de un congelador, mostrador frigorífico o incluso un...