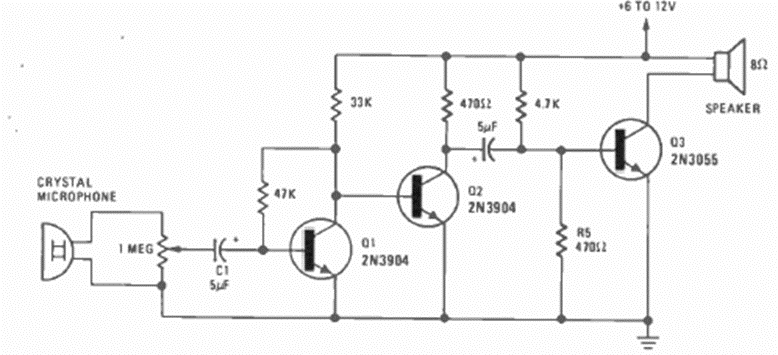
Este sencillo amplificador utiliza un micrófono conectado al teléfono. El circuito de 3 transistores se encontró en la revista Radio Electronics de mayo de 1977. La energía se puede suministrar mediante una fuente de alimentación o una batería.
Con este aparato usted puede investigar fuentes de luz moduladas o hasta usar una luz fluorescente...
Este pequeño radio para la banda AM utiliza cuatro transistores con un amplificador complementario para...
Una lámpara fluorescente en la bancada ayuda a ver mucho mejor los detalles de sus montajes, leer...