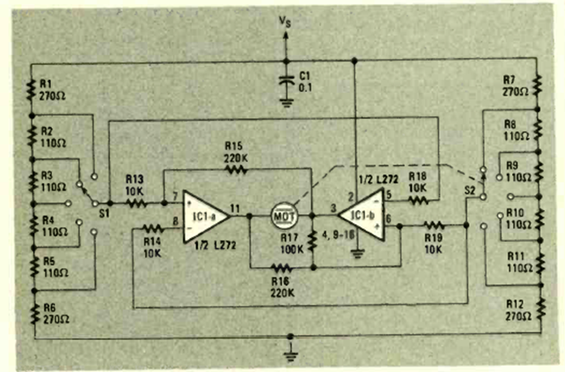
Este control de motor de CC utiliza un amplificador operacional de potencia. Lo encontramos en la revista Radio Electronics de diciembre de 1984. El amplificador debe montarse sobre un radiador de calor y la corriente máxima es 1 A.
Con este aparato usted puede investigar fuentes de luz moduladas o hasta usar una luz fluorescente...
Este pequeño radio para la banda AM utiliza cuatro transistores con un amplificador complementario para...
Una lámpara fluorescente en la bancada ayuda a ver mucho mejor los detalles de sus montajes, leer...