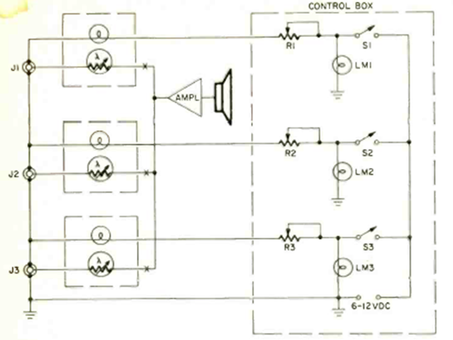
Es una idea interesante que encontramos en la revista Radio Electronics de mayo de 1971. Evidentemente se puede modificar utilizando LED en lugar de bombillas. El circuito controla la señal aplicada a las entradas de un amplificador en un tipo de mezclador.




