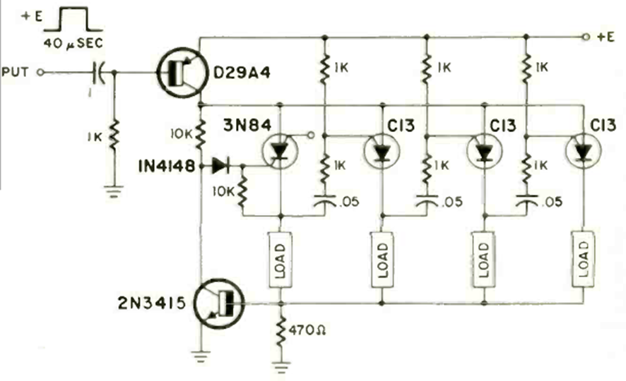
Este circuito cuenta digitalmente los pulsos de entrada. El circuito de radioelectrónica de noviembre de 1970 utiliza transistores unijuntura programables. Tenga en cuenta la duración de los pulsos contados.
Con este aparato usted puede investigar fuentes de luz moduladas o hasta usar una luz fluorescente...
Este pequeño radio para la banda AM utiliza cuatro transistores con un amplificador complementario para...
Una lámpara fluorescente en la bancada ayuda a ver mucho mejor los detalles de sus montajes, leer...