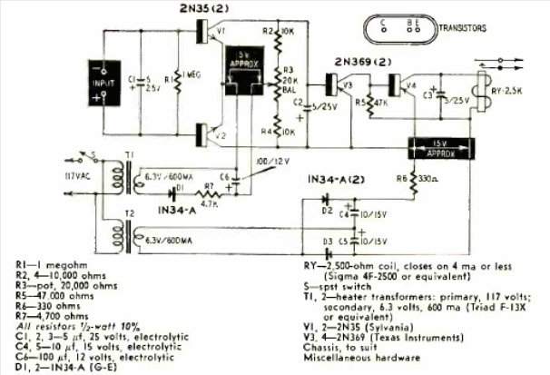
Este circuito de accionamiento de relé se encontró en la revista Radio Electronics de julio de 1958. Los transistores son contemporáneos y el relé es del tipo sensible a 9 V.

Este circuito de accionamiento de relé se encontró en la revista Radio Electronics de julio de 1958. Los transistores son contemporáneos y el relé es del tipo sensible a 9 V.
