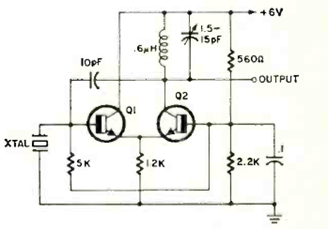
Este oscilador para el quinto armónico de un cristal se encontró en una revista de Radio Electronics de mayo de 1970. Los transistores son del tipo RF y el transistor determina la frecuencia máxima alcanzada.
Este transmisor experimental para la banda de ondas medias tiene un alcance de algunos metros y la...
El circuito integrado utilizado en esta aplicación ya no es más común. El circuito es del Linear...
Este juego de tiro al blanco utiliza circuitos CMOS bien conocidos debiendo el jugador golpear el...