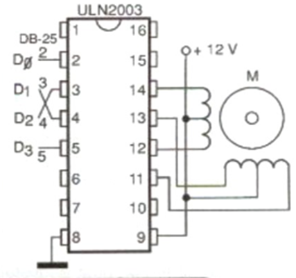
El circuito, ilustrado en la figura, consta de la aplicación directa del ULN2003 en el que tenemos 4 entradas directas a los buffers del circuito integrado. En esta aplicación, las entradas se pueden obtener desde lógica digital TTL o CMOS, o directamente desde el puerto paralelo de una PC. Cada devanado del motor paso a paso se energiza cuando la entrada correspondiente se eleva. Por tanto, en el software que se vaya a utilizar se debe prever tanto el tiempo de activación de cada salida como su secuencia, o incluso posición para la aplicación deseada. Tenga en cuenta que existe una alimentación independiente de 12 V para el motor paso a paso, que funcionará con una corriente máxima de 500 mA. En el diagrama tenemos los colores de los cables con la identificación para un motor paso a paso convencional.




