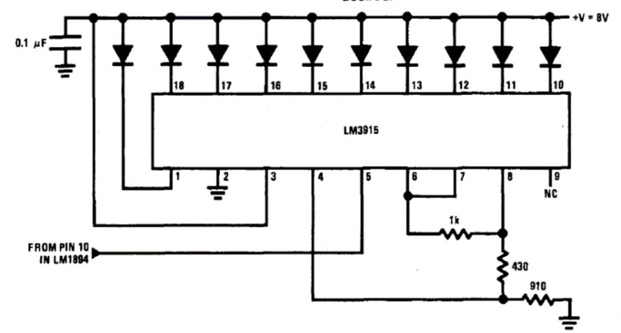
Este circuito se obtuvo del Manual de aplicaciones lineales de National Semiconductor de 1994. El LM3915 es un gráfico de barras con 10 salidas donde el rango dinámico está determinado por las resistencias en los pines 6, 7 y 8. Este rango se puede cambiar según la aplicación.




