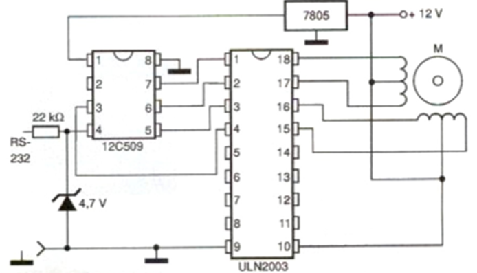
El circuito mostrado en la figura permite controlar un motor paso a paso a través de la puerta serial de un PC (RS-232). En esta aplicación utilizamos el circuito integrado para control de potencia ULN2803 con capacidad para suministrar corrientes de hasta 500 mA al motor controlado. El circuito integrado 7805 reduce la tensión de 12 V de alimentación del motor a los 4 V necesarios para la lógica formada por el circuito integrado 12C509. El diodo zener de 4V7 x 400 mW sirve como filtro para desviar cualquier pulso de voltaje más alto que esté en la línea de datos y pueda causar mal funcionamiento en el circuito.




