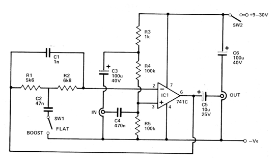
Este circuito refuerza los agudos, funcionando como un booster para instrumentos o home theater. El circuito debe ser alimentado por fuente con excelente filtrado. Encontramos en una documentación de 1979.

Este circuito refuerza los agudos, funcionando como un booster para instrumentos o home theater. El circuito debe ser alimentado por fuente con excelente filtrado. Encontramos en una documentación de 1979.
