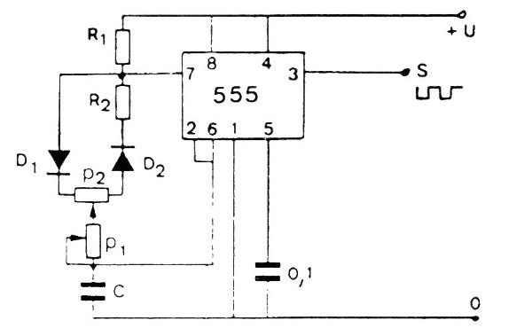
Esta configuración es tradicional y se puede encontrar en muchos otros circuitos de esta sección. Los diodos hacen que el tiempo de carga del capacitor sea igual al de descarga. Los valores típicos para R1 y R2 son 10 k y para P1 y P2 100 k. El capacitor determina la frecuencia con valores en el rango de 100 pF a 100 uF típicamente.




