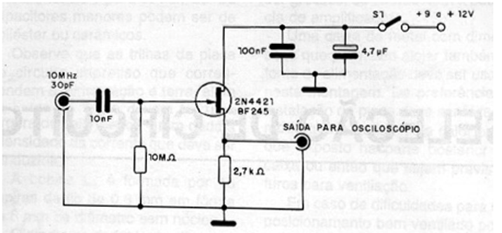
Muchos osciloscopios tienen entradas de alta impedancia que dificultan la observación de señales de alta frecuencia en determinados casos. Con el circuito indicado podemos observar señales de frecuencias hasta 10 MHz, sin el problema de adaptación de impedancias que puede afectar al circuito. El FET de unión admite equivalentes y, como el consumo del dispositivo es bajo, se puede utilizar una batería común de 9 V para alimentarlo.




