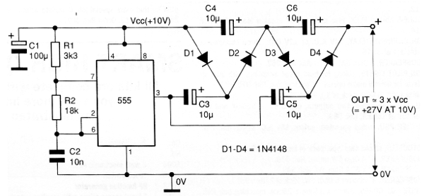
Esta configuración tradicional triplicador con el 555 se puede encontrar en otros artículos en este sitio. Esta es de una documentación de 1998. La tensión de salida es casi el triple de la tensión de entrada de hasta 15 V. La corriente es demasiado baja, del orden de unas pocas decenas o cientos de microampères. El circuito utilizado para aplicaciones de muy baja potencia.




