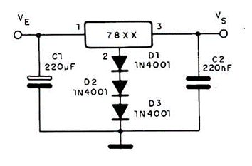
Podemos aumentar la salida de un 78xx usando diodos de silicio ordinarios. Tendremos de 0,6 a 0,7 V más por cada diodo.
Experimentos en clases de física o demostraciones en ferias de ciencias usando capacitores...
Con este circuito es posible utilizar un LED común como foto-sensor para radiación modulada, en un enlace...
El circuito presentado en la figura 1 posibilita el control de motores de corriente continua de varios...