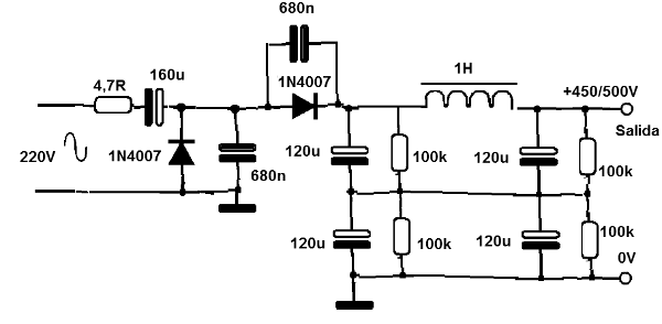
Encontramos esta fuente en una publicación antigua para un aparato de válvula, pero también sirve para circuitos donde se necesita el voltaje de 450 V a 500 V bajo una corriente de 100 mA. El choque puede ser sustituido por un resistor de 220 ohmios x 5 W. El diodo puede ser 1N4007 y el voltaje de funcionamiento de los capacitores debería ser de 300 a 400 V.




