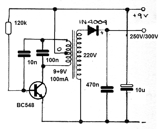
Esta pequeña unidad es de revista argentina de 19709. También se puede montar con los cambios que hemos hecho para usar transistores más modernos y también un transformador de 200-300 mA. La corriente de salida es baja, pero la tensión puede llegar a más de 300 V, dependiendo del transformador que puede tener primaria 110-220 V o incluso más, como se muestra en el diagrama. La alimentación también se puede hacer a partir de pillas o baterías 6 o 9 V.




