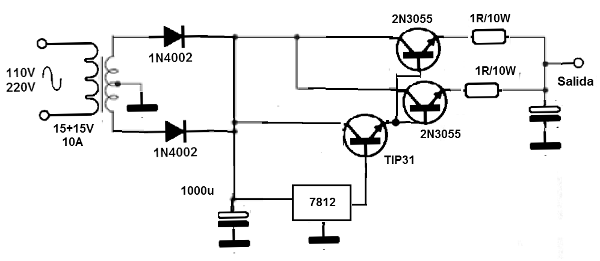
Esta fuente puede entregar corrientes de 10 A. La reglaje se realiza por el circuito integrado 7812. Los transistores de potencia y el IC deben estar equipadas con los radiadores de calor. Los resistores son de alambre con 10 W o más de disipación. El circuito es del libro Mechatronics Sourcebook de Newton C. Braga, publicado en los Estados Unidos. El transistor TIP31 también debe ser montado en un radiador de calor, así como el circuito integrado. El secundario del transformador es de 10 A.




