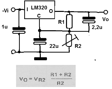
El regulador LM320 es para una tensión negativa hasta 15 V con una corriente máxima de 1 A. En este circuito tenemos su aplicación como regulador ajustable de 15 V. El circuito integrado debe estar provisto de radiador de calor. La fórmula para la obtención de la tensión de salida está cerca del diagrama. C1 y C2 son necesarios si la entrada y el regulador de carga son mucho o no son lo suficientemente filtrado. R1 tiene un valor típico de 220 ohmios.




