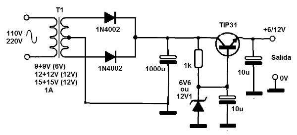
Esta fuente de alimentación fornece tensión que depende sólo del diodo Zener utilizado, puede suministrar corrientes de hasta alrededor de 3 A. El transformador tiene secundario 1 a 3 A como la corriente. Los diodos pueden ser el 1N4002 hasta 1 A y 1N5402 para corrientes más grandes. El transistor debe estar provisto de radiador de calor. El circuito es el libro Mechatronics Sourcebook de Newton C. Braga, publicado en los Estados Unidos.




