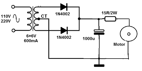
La fuente que se muestra está indicada para motores de pequeña potencia con 6 V y de corriente hasta 500 mA. La resistencia R1 puede tener valores entre 2,2 ohmios y 15 ohmios de acuerdo con el motor. El circuito también se puede utilizar con motores 12V usando un transformador con esta tensión y el cambio de R1 para 22 ohmios x 2 W. El circuito es del libro Fun Projects for the Experimentar de Newton C. Braga.




