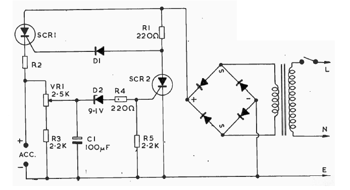
Este cargador tiene una configuración ya explorada en otros artículos del sitio. Esto es de una publicación inglesa antigua. Los SCRs pueden ser el TIC106 y el transformador tiene un secundario de 12 V x 5 A.

 

Cargador de batería automático
Cargador de batería automático | Haga click en la imagen para ampliar |