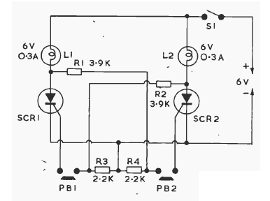
Usando SCR comunes como el TIC106, este circuito se carga con bombillas incandescentes, pero se puede cambiar para usar LED o circuitos de pitidos.

Indicador de prioridad
Usando SCR comunes como el TIC106, este circuito se carga con bombillas incandescentes, pero se puede cambiar para usar LED o circuitos de pitidos.
