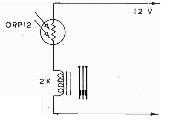
Este circuito hace uso de un relé ultrasensible o reed-relé. LDR admite uno equivalente.
Este circuito debe tener su entrada conectada al colector del último transistor de FM del receptor de...
Este circuito es de una publicación estadounidense sobre viejas lámparas de neón. El circuito es a...
La frecuencia máxima de este circuito depende del operacional, llegando a unos pocos cientos de...