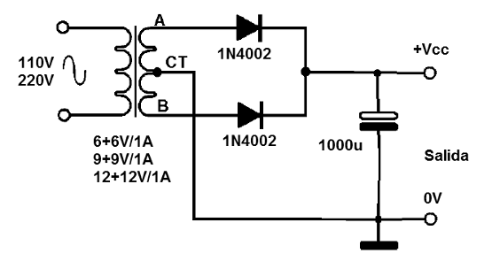
Esta fuente puede ser usada en circuitos de potencia que no requieren tensiones reguladas que pueden ser alrededor de 6 V, 9 V o 12 V y corriente hasta 1 A. El transformador tiene primario de acuerdo con la red local y el capacitor de 1000 uF puede tener valores más altos, para un nivel menor de ondulación. Entre los dispositivos que se pueden alimentar sin problemas de este podemos mencionar LEDs, motores y solenoides. El circuito es del libro Mecatrónica de Newton C. Braga, publicado en los Estados Unidos.




