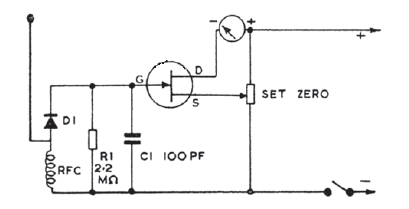
Este circuito aperiódico se encontró en documentación inglesa antigua. El transistor puede ser cualquier JFET y el instrumento 100 uA de escala completa. El ajuste de cero puede ser de 10k.

Medidor de intensidad de campo
Este circuito aperiódico se encontró en documentación inglesa antigua. El transistor puede ser cualquier JFET y el instrumento 100 uA de escala completa. El ajuste de cero puede ser de 10k.
