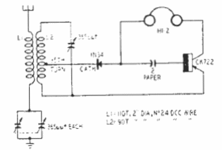
Encontrado en un manual de circuito Raytheon de los años 60, este circuito usa el CK722 y un auricular de alta impedancia que obtiene energía de la señal capturada en sí. La segunda variable selecciona la estación con la señal más alta para obtener la alimentación.

Receptor sin alimentación



