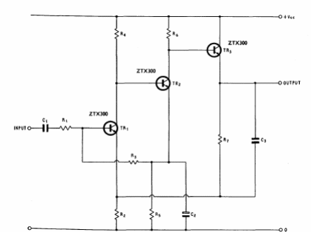
Encontrado en el manual de transistores Ferranti de 1974, este circuito utiliza componentes de la época.
Una fuente de luz monocromática (color único o frecuencia única) puede ser útil en el laboratorio de...
Una lámpara neón polarizada cerca del punto de disparo se convierte en un sensible detector de...
Los circuitos integrados LM317 (1,5 A) y LM350 (3 A) son reguladores de tensión de 3 terminales...