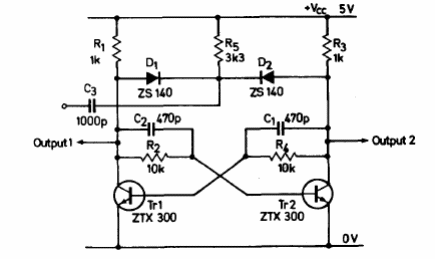
Este circuito es de un manual de transistores Ferranti de 1974. Los transistores son tipos de propósito general en ese momento. La tasa de conmutación máxima es de 100 kHz.

Biestable accionado por colector
Este circuito es de un manual de transistores Ferranti de 1974. Los transistores son tipos de propósito general en ese momento. La tasa de conmutación máxima es de 100 kHz.
