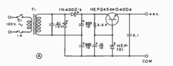
Esta fuente de alimentación regulada simple se encontró en una documentación de 1977. El diodo Zener determina la tensión y el transistor debe coincidir con la corriente de salida.

Fuente de alimentación regulada con 1 transistor
Esta fuente de alimentación regulada simple se encontró en una documentación de 1977. El diodo Zener determina la tensión y el transistor debe coincidir con la corriente de salida.
