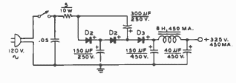
Encontramos este circuito en una documentación para radioaficionados de 1977. El circuito se puede cambiar para operar en la red de 220 V.

Fuente simple de alta tensión sin transformador
Encontramos este circuito en una documentación para radioaficionados de 1977. El circuito se puede cambiar para operar en la red de 220 V.
