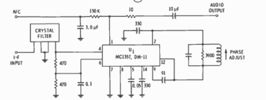
Este circuito fue encontrado en un manual estadounidense de 1977. El circuito integrado es de la época. Los valores de los componentes dependen del rango de frecuencia.

Detector de cuadratura
Este circuito fue encontrado en un manual estadounidense de 1977. El circuito integrado es de la época. Los valores de los componentes dependen del rango de frecuencia.
