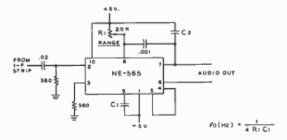
Este circuito se encontró en la documentación de 1977. El circuito integrado utilizado es un PLL.
Este circuito puede ser usado en demostraciones, mostrando el principio de funcionamiento de un...
Este simple oscilador emite una señal que produce, en televisores analógicos (rango de VHF y UHF),...
Hay casos en que un oscilador capaz de producir señales entre 30 MHz y 100 MHz se hace necesario en...