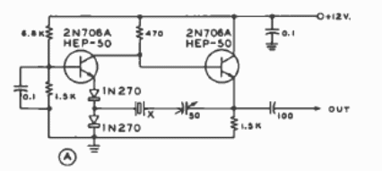
Este oscilador de dos transistores se encontró en un Radio Handbook de 1977. Los transistores son de la época y la frecuencia determinada por el cristal puede llegar a unas pocas decenas de megahertz.

Oscilador de cristal
Este oscilador de dos transistores se encontró en un Radio Handbook de 1977. Los transistores son de la época y la frecuencia determinada por el cristal puede llegar a unas pocas decenas de megahertz.
