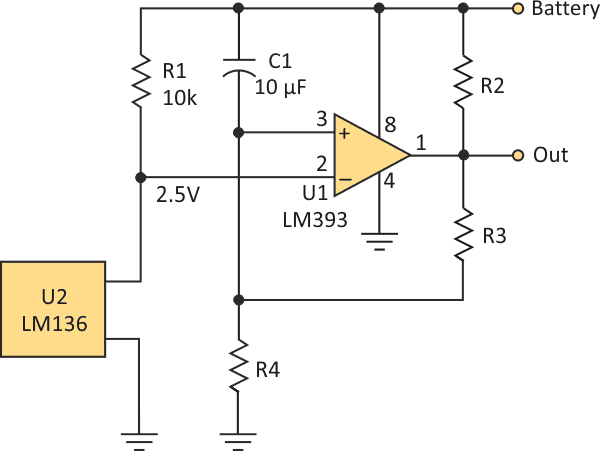
Basado en el LM393 o LM136 de Texas Instruments, este circuito está diseñado para monitorear baterías con tensiones más altas, que alcanzan los 14 V durante la carga.

Monitor para batería
Basado en el LM393 o LM136 de Texas Instruments, este circuito está diseñado para monitorear baterías con tensiones más altas, que alcanzan los 14 V durante la carga.
