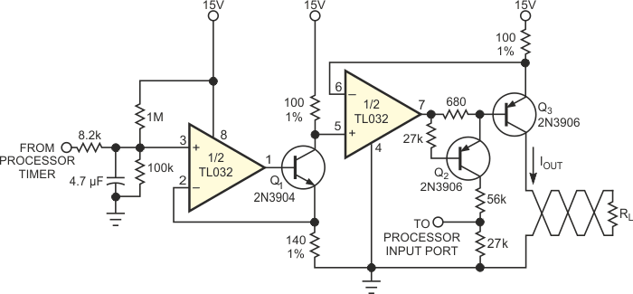
La base de este circuito es el TL032 de Texas Instruments. El circuito convierte una entrada en este rango en tensiones que se pueden transmitir desde los sensores. El circuito permite el uso de par trenzado.

 

Lazo de 4 a 20 mA para microcontroladores
Lazo de 4 a 20 mA para microcontroladores | Haga click en la imagen para ampliar |