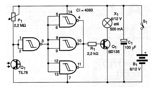
Con la configuración mostrada en la figura una lámpara común de 12 V se enciende cuando la luz deja de incidir en el sensor. Una posibilidad interesante es utilizar para B1 una batería recargable (Nicad) acoplada a un circuito cargador simple, conforme lo mostrado en la misma figura. De esta forma, cuando haya corte de energía y deje de incidir la luz en el sensor, la luz de emergencia se encender. La sensibilidad al disparo se ajusta en P1.Si hay tendencia al disparo con el paso de sombras rápidamente ante el sensor, un capacitor de 1 a 10 uF puede ser conectado en paralelo con el sensor. Este componente también evitará que la lámpara se apague con destellos de luz, por ejemplo, un relámpago.




