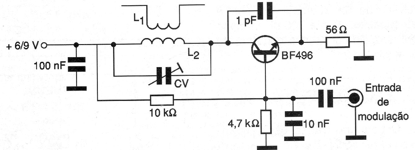
El pequeño transmisor mostrado en la figura puede generar señales en el rango de 50 MHz a 200 MHz. La potencia es del orden de algunas decenas de miliwatts y la alimentación puede ser hecha con pilas o batería. Los capacitores deben ser cerámicos. El capacitor de 1 pF entre colector y emisor es para un rango de 150 a 200 MHz cuando entonces L2 tiene 2 o 3 espiras de hilo 26 en forma sin núcleo de 1 cm de diámetro y L1 está formada por 1 o 2 espiras del mismo hilo Enlazado en L2. Para 100 MHz (rango de FM) L2 tiene 4 espiras del mismo hilo de la misma forma y L1 se mantiene. La antena, para mayor rendimiento puede ser un dipolo de media onda como representado en la figura.




