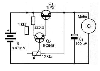
En el circuito de la figura utilizamos un potenciómetro de 1 k ohms. Podemos usar un potenciómetro mayor aún, con corriente menor de control, usando el control de la figura que emplea dos transistores en la configuración Darlington. En este circuito la corriente del transistor Q1 es controlada por el transistor Q2 que, a su vez, es controlada por el potenciómetro de 10 k ohms. De esta forma la corriente en el motor y por lo tanto su velocidad puede ser ajustada con precisión por el potenciómetro. Una ventaja del uso de un componente de baja corriente es que podemos usar cables largos y finos para encenderlo. Esto significa que el potenciómetro de control puede quedar muy lejos del aparato controlado, instalado en una pequeña caja o panel, por ejemplo.




