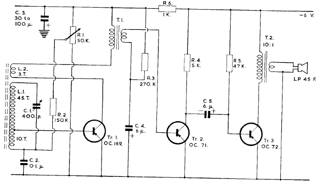
Este receptor para la banda de onda media se encontró en una documentación de los años 60. Los transistores son de germanio. El circuito es de tipo regenerativo.

Receptor de 3 transistores
Este receptor para la banda de onda media se encontró en una documentación de los años 60. Los transistores son de germanio. El circuito es de tipo regenerativo.
