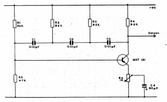
Este oscilador de baja frecuencia se encontró en la documentación de 1963. Los condensadores determinan la frecuencia. El transistor utilizado es de germanio.

Oscilador de cambio de fase
Este oscilador de baja frecuencia se encontró en la documentación de 1963. Los condensadores determinan la frecuencia. El transistor utilizado es de germanio.
