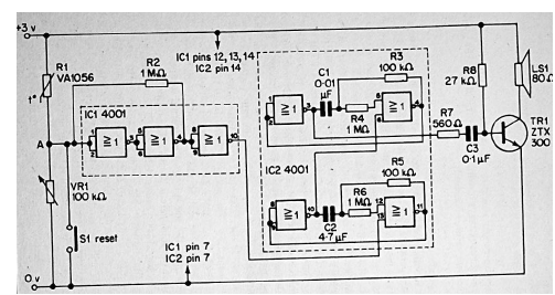
Este circuito de ultra bajo consumo fue diseñado originalmente para ser alimentado por un panel solar o pequeñas baterías solares. El transistor es para propósito general.

Alarma de temperatura para invernadero
Este circuito de ultra bajo consumo fue diseñado originalmente para ser alimentado por un panel solar o pequeñas baterías solares. El transistor es para propósito general.
