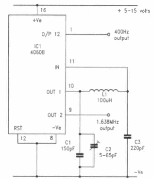
Este oscilador CMOS incluye el divisor de frecuencia para generar una señal de 400 Hz y una señal de 1,6 MHz. El circuito es de una documentación de los años 60.

Oscilador 40608 con divisor
Este oscilador CMOS incluye el divisor de frecuencia para generar una señal de 400 Hz y una señal de 1,6 MHz. El circuito es de una documentación de los años 60.
